How I Design And Build a Loudspeaker Page 5
Once the final crossover has been tested outside the enclosure I will layout the components in CAD. If it needs to be installed through the woofer cutout it is important to verify that the finished board will fit through the hole. This is a 3D problem, not just 2D. I use Molex SOLDER TERM .438 style 3 posts screwed to 1/8 hardboard to solder the components together. I also layout holes for zip ties to secure the components to the board. The CAD drawing is printed on card stock to use as a drilling guide. I use silicone caulk under the capacitors and inductors to prevent vibrations.
I do not like to paint, I'm never satisfied with my work, so I use veneer and Formica instead. The driver cutouts are painted black so the raw MDF doesn't show. I prefer to use paper backed veneer with PSA applied at the factory if I can get it. If not I will use the same contact cement I use for Formica, I know these are not what fine wood workers use but I feel that loudspeakers aren't ever going to be 200 year old antiques. I worked in a refinishing shop when I was young and it was hammered into me the poly finishes are the devils work and if it didn't need to be water proof there was nothing better than shellac. I brush on 3 coats of Zinsser shellac, sanding with 320 grit after the first coat and then use synthetic pads that are equivalent to 0000 steel wool to rub out the remaining coats. A final coat a wax and it is done.


Finishing Enclosure
Crossover and Internal Wiring
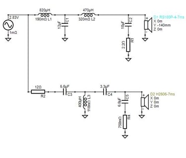
Blame it on my electrical engineering background but I don't believe wire does anything but conduct electricity at audio frequencies. So no fancy wire or connectors for me, in fact I chop up old power cords for internal wiring if it is the correct gauge. I also like to use a terminal block and solder lugs to inter-connect the drivers to the crossover board. This gives me the flexibility to convert to an external crossover or change to an active design. I don't use electrolytic capacitors but I do not use high end audio capacitors either. Same goes for inductors, if I need a large value I use laminated iron core inductors.




Crossover Installation
Installing the crossover through the woofer hole is a little awkward so pre-drill the mounting holes before the glue up. It still requires a stubby screwdriver and a blood sacrifice.
Building the Crossover





